汽车、航空相关行业
-

油压部件在数码显微系统下的观察、测量 -

烧结部件在数码显微系统下的观察、测量 -

晒纹在数码显微系统下的观察、测量 -

电动汽车(EV)部件在数码显微系统下的观察、测量 -

模具的数码显微系统下的观察、测量 -

使用数码显微系统观察、检测研磨加工 -

金属断裂面破坏样式和断口分析的课题解决 -

工业标准与汽车部件的清洁度测量及分析 -

工具磨损、寿命管理及评估的定量化 -

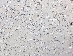
金属组织观察方法与观察、测量的合理化 -

焊接部的焊点不良及测量、检测的高效化 -

金属腐蚀分析中的形态观察与分析的课题解决 -

金属组织结晶粒度分析中的工业标准和定量评估 -

压铸件中砂眼等铸造不良的原因及测量、评估 -

黑铅球状化率的高效测量和评价 -

冲压件不良(毛刺、凹陷等)的原因、不良位置以及截面(断裂面)的观察 -

螺丝不良(凹陷、划痕、裂纹、起伏)的高效观察 -

砂型铸造的观察、分析 -

切削工具的种类和数码显微系统下的观察、检测

